PVC U TRANSPARENT KUGELHAHNNeu im Lieferprgramm d 20 mm - d 63 mm |
![]() |
![]() |
![]() |
![]() |
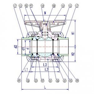
VOM PRAKTIKER FÜR DEN PRAKTIKERZusammen mit unserem Partner entwickeln und konzipieren wir 2/2 Wege Kugelhähne für die Wassertechnik aus PVC U Transparent. Der 2-Wege Kugelhahn ist ausgeführt in der Ausführung Verschraubung mit Klebemuffe und kann bei Bedarf auch mit Innengewindeanschlüssen aus PVC U grau angeboten werden. Das Kugelhahngehäuse, die Einlegeteile und die Überwurfmuttern bestehen aus dem Werkstoff PVC U Transparent. Der Ventilsitz ist in PTFE ausgeführt und die O-Ringe können wahlweise in EPDM und FPM geliefert werden. Der Griff zum Absperren des Kugelhahns besteht aus dem Werkstoff ABS. Der Kugelhahn kann mit einem Betriebsdruck von max. 10 bar bei einer Temperatur von 20°C betrieben werden. Bitte beachten Sie beim Einsatz der Armatur immer das Druck- Temperaturdiagramm für PVC U Transparent. Gerne beantworten wir Ihnen hierzu auch entsprechende Anfragen. |
![]() |
UNSER LIEFERPRGRAMM2/2 Wege Kugelhahn aus PVC U Transparent, Anschluss Klebemuffe nach DIN, O-Ringe EPDM
|
|
![]() |
![]() |
|
Gerne unterbreiten wir Ihnen für Ihren Bedarf ein Angebot, senden Sie uns einfach eine Anfrage |
|
|
Ihre Wünsche, unsere Lösungen - Ein umfangreiches Lieferprogramm nach Maß. |
Partnerschaft auf höchstem Niveau |
|
|
|
|
|
|
|